吉林光驰科技有限公司专注于光机技术与应用,为客户提供精密光电技术应用的完善解决方案。总公司背靠西光所、西交大、西工大,拥有优秀的机械与电气博士研究生技术团队。分公司吉林光驰科技坐落于吉林长春,依托长光所、长理工的技术支持。专心从事精密光机产品的研发、制造、销售与系统集成,以强大的技术力量、严谨的科研态度、严苛的质量把控保证光驰科技出品皆为精品。努力创新,不断进步!光驰科技为科技型创新型公司。公司自开办以来一直以以人为...
天然花岗岩基座,平面度一流●气浮导轨,无摩擦力、超高平面度●直驱机构,无回程间隙●全闭环反馈,分辨率高达5nm●预压型机构,保证足够的系统刚性●表面经过喷砂以及阳极氧化处理,美观又经久耐用主要性能参数
主要性能参数:
| 型号 | GCD-QX |
| 行程(mm) | 100-500mm(任意行程定制) |
| 导轨规格 | 大理石气浮导轨 |
| 电机规格 | 无铁芯直线电机 |
| 承载 | 50kg |
| 光栅分辨率 | 50nm(可选更高规格) |
| 最大速度 | >100mm/s |
| 速度波动 | 5% |
| 重复定位精度 | ±0.3um |
| 定位精度 | ±0.5um |
| 直线度 | <1um |
| 平面度 | <1um |
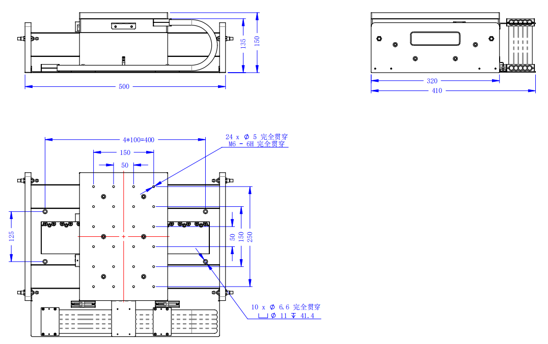
外形尺寸图:GCD-Q200X

特别注意事项:
1、直线电机平台属于高精度精密设备,因此如果希望得到最好的性能,需要保证足够的使用环境,尤其在使用要求重复定位精度小于1um的设备上,所有指标的复现都需要满足一定的温度、湿度、气压、振动等,详细要求可进一步联系厂家咨询沟通。
2、所有平台可单独订购,如对设备的精度以及性能要求较高,推荐使用光驰科技自主生产的控制器搭配控制器出货的产品,在出厂检验中都会做针对性的优化和校准,是您高要求使用的首选。
3、气浮平台需搭配空压机、储气罐、冷干机、油水分离器、过滤器、干燥器、调压阀等辅助配件,详细规格请咨询厂家。