吉林光驰科技有限公司专注于光机技术与应用,为客户提供精密光电技术应用的完善解决方案。总公司背靠西光所、西交大、西工大,拥有优秀的机械与电气博士研究生技术团队。分公司吉林光驰科技坐落于吉林长春,依托长光所、长理工的技术支持。专心从事精密光机产品的研发、制造、销售与系统集成,以强大的技术力量、严谨的科研态度、严苛的质量把控保证光驰科技出品皆为精品。努力创新,不断进步!光驰科技为科技型创新型公司。公司自开办以来一直以以人为...
GCDD-QX定制大行程气浮位移平台采用一体式气浮导轨的超高精度运动平台,该系列产品采用天然花岗岩做基座,气浮导轨导向及支撑,具有非常优秀的平面度、直线度,结合高精度线性放大器可以达到非常理想的重复定
主要性能参数:
| 型号 | GCDD-QX |
| 行程(mm) | 400-1600(范围内任意定制) |
| 导轨类型 | T型全包围高刚性气浮导轨 |
| 电机规格 | 无铁芯直线电机 |
| 推荐使用压力 (MPa) | 0.2-0.5 |
| 电机额定推力/峰值推力(N) | 60\210 |
| 光栅分辨率(nm) | 模拟量4096细分5nm(预设值,可在驱动器中更改,支持最高1nm) |
| 平台最大速度 (mm/s) | ≥1500 |
| 速度波动 (%) | 1% |
| 重复定位精度 (nm) | ≤±100 |
| 绝对定位精度 (nm) | ≤±500 |
| 空载最大加速度 (g) | 2 |
| 最大负载(kg) | 50 |
| 标准线长 | 3m |
也可选用数字量光栅,详询厂家。
普通PWM驱动器默认值为5%上限,如需要低于1%速度波动,需要线性驱动器。
平台最大速度取决于有效行程、光栅分辨率以及光栅和驱动器的时钟频率,不同配置会导致此项参数上限值的变化,详询厂家。
此数据为实验室实测数据上限,如有更高要求,需搭配GC-MCS系列控制器,详询厂家。
台溜板(运动部分)为花岗岩材质,可选(铝合金)或(不锈钢304 or 316),金属溜板孔位加工会更方便一些。默认产品分辨率为5nm,为模拟量光栅4096细分后所得,分辨率的改变会导致平台最大速度以及重复定位精度的变化,最高分辨率1nm,可选数字量光栅,详细情况请进一步咨询厂家。
此数据为标定后参数。
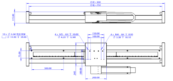
外形尺寸图:

实际尺寸会根据客户所需的行程来确定。
溜板上安装孔位及底座安装孔位可根据客户要求加工(需沟通厂家)。
如需要进一步的尺寸信息或者3D图档,请直接联系厂家。
特别注意事项:
1、直线电机平台属于高精度精密设备,因此如果希望得到最好的性能,需要保证足够的使用环境,尤其在使用要求重复定位精度小于1um的设备上,所有指标的复现都需要满足一定的温度、湿度、气压、振动等,详细要求可进一步联系厂家咨询沟通
2、所有平台可单独订购,如对设备的精度以及性能要求较高,推荐使用光驰科技自主生产的控制器搭配控制器出货的产品,在出厂检验中都会做针对性的优化和校准,是您高要求使用的首选。
3、气浮平台需搭配空压机、储气罐、冷干机、油水分离器、过滤器、干燥器、调压阀等辅助配件,详细规格请咨询厂家。