吉林光驰科技有限公司专注于光机技术与应用,为客户提供精密光电技术应用的完善解决方案。总公司背靠西光所、西交大、西工大,拥有优秀的机械与电气博士研究生技术团队。分公司吉林光驰科技坐落于吉林长春,依托长光所、长理工的技术支持。专心从事精密光机产品的研发、制造、销售与系统集成,以强大的技术力量、严谨的科研态度、严苛的质量把控保证光驰科技出品皆为精品。努力创新,不断进步!光驰科技为科技型创新型公司。公司自开办以来一直以以人为...
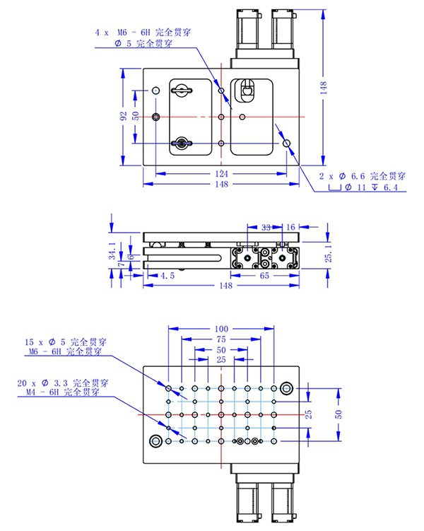
电动旋转倾斜载物台是电动控制倾斜的二维倾斜平台,并具有旋转倾斜功能。技术参数:型号GSTC-2台面尺寸(mm)148×92倾斜Y±2°旋转X±2.5°丝杆螺距1㎜整步分辨率1.25μm分辨率(1/8步

技术参数:
| 型号 | GSTC-2 |
| 台面尺寸(mm) | 148×92 |
| 倾斜Y | ±2° |
| 旋转X | ±2.5° |
| 丝杆螺距 | 1㎜ |
| 整步分辨率 | 1.25μm |
| 分辨率(1/8步) | 0.156μm |
| 丝杠螺距 | 0.25㎜ |
| 可重复性 | 1μm |
| 最大负载能力 | 5kg |
| 自重 | 1Kg |
外形尺寸图:
