吉林光驰科技有限公司专注于光机技术与应用,为客户提供精密光电技术应用的完善解决方案。总公司背靠西光所、西交大、西工大,拥有优秀的机械与电气博士研究生技术团队。分公司吉林光驰科技坐落于吉林长春,依托长光所、长理工的技术支持。专心从事精密光机产品的研发、制造、销售与系统集成,以强大的技术力量、严谨的科研态度、严苛的质量把控保证光驰科技出品皆为精品。努力创新,不断进步!光驰科技为科技型创新型公司。公司自开办以来一直以以人为...
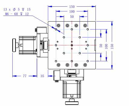
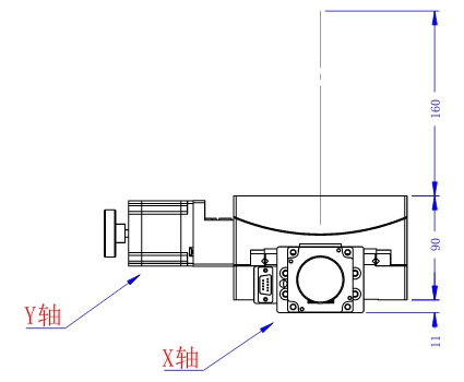
技术参数:型号GCEF10-2(双轴角位台)结构描述角度范围X:±10°Y:±10°台面尺寸150*150mm传动比464:1385:1旋转中心高210mm±0.2mm160mm±0.2mm驱动机构蜗
技术参数:
型号 | GCEF10-2(双轴角位台) | ||
结构描述 | 角度范围 | X:±10° | Y:±10° |
台面尺寸 | 150*150mm | ||
传动比 | 464:1 | 385:1 | |
旋转中心高 | 210mm±0.2mm | 160mm±0.2mm | |
驱动机构 | 蜗轮和蜗杆机构 | 蜗轮和蜗杆机构 | |
导轨形式 | 交叉滚柱导轨 | 交叉滚柱导轨 | |
步进电机 | 57CM13 | 57CM13 | |
主体材料 | 铝合金 | 铝合金 | |
表面处理 | 阳极氧化发黑 | 阳极氧化发黑 | |
中心承载 | 30kg | ||
重量 | 10kg | ||
分辨率 | ≈0.005° | ||
精度描述 | 旋转中心精度 | 0.03 mm | |
速度 | 5°/sec | ||
重复定位精度 | 0.01° | ||
外形尺寸图:


