吉林光驰科技有限公司专注于光机技术与应用,为客户提供精密光电技术应用的完善解决方案。总公司背靠西光所、西交大、西工大,拥有优秀的机械与电气博士研究生技术团队。分公司吉林光驰科技坐落于吉林长春,依托长光所、长理工的技术支持。专心从事精密光机产品的研发、制造、销售与系统集成,以强大的技术力量、严谨的科研态度、严苛的质量把控保证光驰科技出品皆为精品。努力创新,不断进步!光驰科技为科技型创新型公司。公司自开办以来一直以以人为...
产品特点: ●标配为步进电机,实现倾斜自动调整,自动控制; ●采用精研蜗轮蜗杆传动,间隙小运行平稳; ●采用弧形导轨滚动,运行平稳; ●采用进口高品质弹性联轴器,实现柔性连接,消除空回及加工误差; ●
产品特点: ●标配为步进电机,实现倾斜自动调整,自动控制; ●采用精研蜗轮蜗杆传动,间隙小运行平稳; ●采用弧形导轨滚动,运行平稳; ●采用进口高品质弹性联轴器,实现柔性连接,消除空回及加工误差; ●左右限位开关有效保护产品,光电开关作为零位,精度高; ●两台成对设计,可组装成为二维电动回转台,可单独使用。两种旋转半径精心设计,组装后可绕一公共点二维交叉旋转; ●台面标准安装孔位,适合组成多维电动位移台,方便与我公司其他产品配套; ●可配伺服电机,速度更快,精度更高。
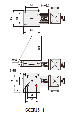
技术参数:
| 型 号 | GCEF15-1 |
| 台面大小 mm | 65×65 |
| 传动比 | 252:01:00 |
| 俯仰角度 | ±15° |
| 分辨率 | 0.000885° |
| 重复定位精度 | < 0.01° |
| 最大速度 | 5°/s |
| 步进电机 | 2 相 |
| 最大负载 | 8kg |
| 自重 | 0.8kg |
外形尺寸:
