吉林光驰科技有限公司专注于光机技术与应用,为客户提供精密光电技术应用的完善解决方案。总公司背靠西光所、西交大、西工大,拥有优秀的机械与电气博士研究生技术团队。分公司吉林光驰科技坐落于吉林长春,依托长光所、长理工的技术支持。专心从事精密光机产品的研发、制造、销售与系统集成,以强大的技术力量、严谨的科研态度、严苛的质量把控保证光驰科技出品皆为精品。努力创新,不断进步!光驰科技为科技型创新型公司。公司自开办以来一直以以人为...
GCM-2000-0500-A系列激光器是2微米波段锑化物半导体激光器。基于最先进的量子阱外延层生长技术,采用锑化物为基底、高可靠性脊波导结构,法布里-珀罗腔型。能够输出2.0微米波段的高功率激光。G
GCM-2000-0500-A系列激光器是2微米波段锑化物半导体激光器。基于最先进的量子阱外延层生长技术,采用锑化物为基底、高可靠性脊波导结构,法布里-珀罗腔型。能够输出2.0微米波段的高功率激光。 GCM-2000-0500-A系列激光器采用2针小型外壳封装,具有良好的导热效果。输出光纤是芯径 105μm的石英玻璃光纤,具有弯曲损耗小。光纤输出口通用采用SM905结构。 GCM-2000-0500-A系列激光器可为红外激光对抗、生物显微镜、医学照明、激光泵浦、塑料焊接等领域提供优质光源。
技术参数:
CW;底座温度:20°C
| 型号 | M-2000-0500-A | ||
| 数值 | 最小值 | 典型值 | 最大值 |
| 中心波长 (λC) | 1900 nm | 2000 nm | 2100 nm |
| 工作电流 ( IOP) | -- | 2.5 A | 3.5 A |
| 激光功率 (POUT) | 10 mW | 300 mW | -- |
| 谱线宽度 (Δλ) | -- | 20 nm | -- |
| 阈值电流 ( ITH) | -- | 40 mA | 80 mA |
| 斜率效率 (ΔP/ΔI) | -- | 0.15 W/A | -- |
| 工作电压 (VF) | -- | 3.4 V | 4 V |
激光特性:

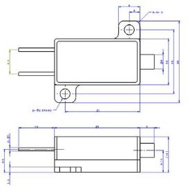
结构图: